
SAG自由空间电光调制器(普克尔盒)紧凑型低压自由空间电光普克尔盒调制器:相位或强度我们的电光调制器基于特殊晶体研制,相较于传统掺镁铌酸锂晶体,压电效应更弱、电荷迁移率更低,因此响应信号更纯净、振铃效应更小,且能效更高、功耗更低,还可在更短波长与更高光功率条件下稳定工作。本产品提供谐振型与直接驱动型两种
我们一站式供应各种类型的我们的电光调制器基于特殊晶体研制,相较于传统掺镁铌酸锂晶体,压电效应更弱、电荷迁移率更低,因此响应信号更纯净、振铃效应更小,且能效更高、功耗更低,还可在更短波长与更高光功率条件下稳定工作。,可提供选型、技术指导、安装培训、个性定制等全生命周期、全流程服务,欢迎联系我们!
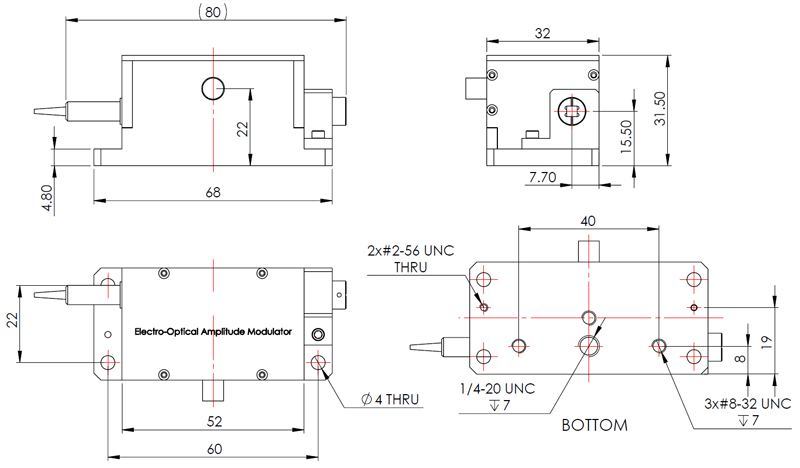
紧凑型低压自由空间电光普克尔盒调制器:相位或强度
我们的电光调制器基于特殊晶体研制,相较于传统掺镁铌酸锂晶体,压电效应更弱、电荷迁移率更低,因此响应信号更纯净、振铃效应更小,且能效更高、功耗更低,还可在更短波长与更高光功率条件下稳定工作。
本产品提供谐振型与直接驱动型两种版本,均可对自由空间激光的相位、偏振态或振幅进行调制:
谐振型调制器可大幅降低驱动电压,仅需实验室函数发生器即可驱动。每台器件均独家配备1MHz、15MHz、30MHz 三个固定谐振频率,可通过拨动开关手动切换,是测试类应用中高性价比、操作便捷的优选方案;同时支持定制最高 100MHz 的谐振频率。
直接驱动型调制器支持从直流(DC)到高频的宽频段工作,但需搭配高压驱动器使用,其性能由驱动器决定。我们可提供自研高压驱动器,客户也可选用其他厂商的兼容产品。
自由空间电光调制器(普克尔盒)
相位或强度调制型,通光孔径 3mm,波长 300-2000nm,直流DC-MHz
SAG-FEOM 系列自由空间电光调制器采用经过特殊设计的补偿式电光晶体对,与传统铌酸锂(LiNbO₃)晶体相比,具备更优异的高功率承载能力和短波长稳定性,可在宽波长范围内对自由空间激光束进行相位或强度调制。该系列调制器提供单晶体对和双晶体对两种晶体长度规格,以降低驱动电压,并实现更深程度或更快速度的调制;与匹配的驱动器配套使用时,系统工作频段可覆盖直流至兆赫兹。可选配件包括:用于高消光比强度调制的偏振立方棱镜、防止背向反射的隔离器,以及用于反馈控制的输出探测器;需注意,强度调制工作模式要求输入光束为线偏振光。

主要特点
高性能
紧凑封装
易于集成
支持定制
高性价比
应用领域
激光调制
全息成像
金属切割/雕刻
微加工
| 参数 | 指标 |
| 波长 | 400–600nm/600–900nm/900–1250nm/1250–1650nm |
| 通光孔径 | 3mm |
| 非谐振型半波电压 | 典型值 80V,最大值 600V |
| 消光比[1] | 10–30dB,典型值:30dB |
| 谐振型输入阻抗 | 50ohms |
| 非谐振型输入电容 | 14pF |
| 最大光功率密度 | 532nm:典型值 2W/最大值 10W[2] 1064nm:典型值 5W/最大值 20W[2] |
| 工作温度 | - 20–50°C |
注[1]:与偏振器及光束质量相关;[2]:提供高功率版本。

订购信息:SAG-FEOM-X-WWW-P-LL-I-O-D-G
SAG-FEOM 是指 SAG系列自由空间电光调制器 EOM。
X 是指调制类型:A(强度调制),P(相位调制)。
WWW 是指激光波长,如:W05 (400~600nm),W07 (600~900 nm),W09 (900~1250 nm),W14 (1250~1650 nm),W03 (320~500 nm),W20 (1920~2400 nm)。
P 是指光功率等级:1(常规),2(高功率)。
LL 是指晶体长度:1X(1倍),2X(2倍),3X(3倍)。
I 是指输入偏振器:N(无),P (Polacore偏振片),B (PBS偏振分束器),G (Glan-Thompson 格兰偏振器)。
O 是指输出偏振器:N (无),P (Polacore偏振片),B (PBS偏振分束器),G (Glan-Thompson 格兰偏振器)。
D 是指驱动器:N(无),Y(有)。
G 是指隔离器:N(无),1(单级),2(双级)。
例如: SAG-FEOM-A-W07-1-2X-P-P-Y-1.
*偏振器参数:
Polacore偏振片——连续波CW W/cm2
PBS(偏振分束器)——连续波CW W/cm2;
Glan-Thompson 格兰偏振器——连续波CW kW/cm2
谐振型自由空间电光调制器(普克尔盒)
(通光孔径 2mm,波长 400nm 至 2000nm,固定频率 1 至 100MHz)
SAG-REOM 自由空间电光调制器是一款基于晶体的谐振型调制器,设计为在固定谐振频率下工作,可通过低压驱动实现激光的相位、偏振或幅度调制。谐振频率可选范围为 1 至 20MHz。我们提供标准版本与高功率版本(采用 RTP 晶体),以适配不同的应用需求。
标准型号采用单晶体对;而波长超过 1000nm 的型号需采用双晶体对,以达到完整的调制深度。该设计可最大限度减少压电效应与电荷累积,降低谐振驱动器件的正弦响应失真。
若用于幅度调制,需输入偏振光,因为调制过程依赖偏振态的控制。配合输入与输出偏振器,该器件可实现显著提升的消光比(ER)。

主要特点
低损耗
易于使用
高性价比
应用领域
激光调制
| 参数 | 指标 |
| 波长 | 400–600nm 600–900nm 900–1250nm 1250–1650nm |
| 通光孔径 | 3mm |
| 非谐振型半波电压 | 225V @ 633nm |
| 谐振型半波电压* | 15V @ 633nm |
| 消光比 | 10dB@ 633nm |
| 谐振型输入阻抗 | 50ohms |
| 非谐振型输入电容 | 14pF |
| 最大光功率密度 | 标准款:典型值 2W/mm²@ 550nm, 最大值 4W/mm²@ 1060nm 高功率款:典型值 1MW/mm²@ 550nm, 最大值 500MW/mm²@ 1060nm |
| 工作温度 | -20–50°C |
注 * 半波电压指实现最大调制深度或 π 相位偏移所需的电压,随波长增加而升高。
订购信息:SAG-REOM-X-WWW-P-RR-I-O-F
SAG-REOM 是指 SAG系列谐振型自由空间电光调制器 EOM。
X 是指调制类型:A(强度调制);P(相位调制)
WWW 是指激光波长,如:W03 (200~400nm),W05 (400~600nm),W07 (600~900 nm),W10 (900~1250 nm),W14 (1250~1650 nm)
P 是指光功率:1(常规);2W,5W,10W,20W,50W,100W,300W
RR 是指谐振频率:5MHz,10MHz,20MHz,30MHz,50MHz
I 是指输入偏振器:N(无),B (PBS偏振分束器),G (Glan-Thompson 格兰偏振器)
O 是指输出偏振器:N (无),B (PBS偏振分束器),G (Glan-Thompson 格兰偏振器)
F 是指单谐振频率版本
例如: SAG-REOM-P-W10-2W-30-B-B
*偏振器参数:
PBS(偏振分束器)——连续波CW 15W/cm2;
Glan-Thompson 格兰偏振器——连续波CW 2kW/cm2


操作说明
输入光路对准:将激光束射入器件,确保光束沿光轴正确对准,避免照射到晶体壁。
输入偏振器设置:在输入端放置一个垂直偏振器,调整输入激光的偏振方向,以获得最大输出光强。
输出偏振器设置:在器件输出端放置一个水平偏振器,仔细调整输出偏振器的方向,使透射输出光强达到最小(消光状态)。
施加控制电压:逐渐向器件施加电压,观察输出光强的变化。在工作电压(Vp)下,输出光强将达到最大值。
GHz谐振型光学相位调制器(1-3.05 GHz,可选温度控制功能)
SAG-GHZM 系列 GHz谐振型光学相位调制器采用先进电光技术,可实现高速光学相位调制。器件封装内部集成谐振电路,支持低驱动电压工作。封装方案涵盖自由空间型与光纤耦合型两种配置,还可额外选择半导体制冷器(TEC)温度稳定功能,以及集成放大器驱动器以提升调制深度。使用要求:需输入线偏振光。
主要特点
高速度
超高可靠性
低插入损耗
结构紧凑
应用领域
原子钟
光阻断
可配置运行
仪器设备
| 参数 | 范围/典型值 |
| 波长 | 350–780nm |
| 谐振频率 | 0.7–3.05GHz |
| 带宽 | 3.8–10MHz |
| 品质因数(Q 值) | 325 |
| 处波前畸变 @ 633nm | ≤1/6λ |
| 调制深度 | ≤2.5rad |
| 灵敏度 | 0.38–0.47rad/V |
| 调制所需射频功率1rad @ 400nm | 35dBm |
| 输入阻抗 | 50Ω |
| 射频连接器 | SMA-F |
| 最大射频功率 | 5W |
| 通光孔径 | 1–2mm² |
| 最大光功率密度 | 1W/mm² |
| 工作温度(TEC 冷却)* | 5°C |
| 存储温度 | - 40–85°C |
注:* 需半导体制冷器(TEC)主动冷却
订购信息:SAG-GHZM-X-WWW-RRR-I-O-T-F
SAG-GHZM 是指 SAG系列GHz谐振型光学相位调制器;
X 是指类型:R(标准型),S(特殊型)
WWW 是指激光波长,如:350nm,450nm,532nm,550nm,650nm,780nm
RRR 是谐振频率:112(1.12 GHz),305(3.05 GHz),175(1.75 GHz)
I 是指输入光纤:N(无),P(PM480),S(特殊型号)
O 是指输出光纤:N(无),P(PM480),S(特殊型号)
T 是指半导体制冷器(TEC):N(无),Y(有)
R 是指射频放大器:N(无),Y(有),S(特殊型号)
例如:SAG-GHZM-R-350-112-P-P-N-Y
高压电光调制器(普克尔盒)驱动器 (最高输出 400V)
SAG-HVED 系列模拟高压驱动器可提供最高 ±200V(带宽 1MHz)或 400V(带宽 0.5MHz)的输出,非常适合驱动非谐振型电光调制器,以调制波长最高达 1060nm 的光信号。其极性交替功能可最大限度地减少光折变效应导致的电荷累积,在较短波长与较高功率的场景下效果尤为显著。
该系列驱动器配备最高达 50V 的可调直流偏置,用于精确调整性能。例如:当扫描范围为 - 200V 至 + 200V、直流偏置为 10V 时,输出范围会偏移至 - 190V + 200V(正向侧被截断);而当扫描范围为- 100V 至 + 100V 时,输出范围会调整为 - 90V 至 + 110V。这种偏置灵活性能够实现精准控制,优化电光器件的功能。
若用于幅度调制,偏振光是必不可少的 —— 因为调制过程依赖通过偏振态来控制光强。通过配备输入和输出偏振器,器件的消光比(ER)可得到显著提升。
主要特点
400V 高压输出
10 ns上升/下降时间
模拟响应
应用领域
电光器件控制

| 参数 | 范围/典型值 |
| 输出电压 | 0–±220/400V |
| 上升 / 下降时间* | 7–10ns |
| 偏置电压 | 0–50V |
| 延迟时间 | ≤200ns |
| 重复频率 | 0.5–0.7MHz |
| 脉冲抖动 | 1–20ps |
| 输入电源 | 100–240ACV |
| 功耗 | ≤10W |
| 控制输入 | 0–5V |
| 湿度 | 90%(无凝露) |
| 工作温度 | -5–40°C |
| 存储温度 | - 40–85°C |
注: *基于 10%—90% 电平测量,同时受幅度和电容负载影响;输出 400V 时,重复频率为 0.5MHz.
订购信息:SAG-HVED-VVV-P-RRR
SAG-HVED 是指 SAG系列高压电光调制器(普克尔盒)驱动器;
VVV 是指最高电压:220(±220V),400(400V),S(特殊型)
RRR 是重复频率:3(0.3 MHz),5(0.5 MHz),7(0.7 MHz)
例如:SAG-HVED-220-B-3
*仅 220V 版本支持 1MHz 重复频率
上一个产品
下一个产品