
本系列相位型LCoS空间光调制器(SLM)是高端光场调控的核心器件,采用纯相位调制技术,仅改变光波相位而不影响其振幅与偏振。产品具备高分辨率(1920×1200)、高衍射效率及>1000:1的对比度,提供256阶的精确相位控制。覆盖可见光至近红外(430-1565nm)多种型号,满足不同波段需求。广泛应用于全息成像、激光3D打印、光镊、光束整形、量子计算和自适应光学等前沿领域,为科研与工业应用提供高精度、高稳定性的光波前解决方案。
我们一站式供应各种类型的空间光调制器,相位型空间光调制器,相位型LCoS,液晶空间光调制器,可提供选型、技术指导、安装培训、个性定制等全生命周期、全流程服务,欢迎联系我们!
相位型 LCoS(Liquid Crystal on Silicon,硅基液晶)空间光调制器是一种利用液晶的光电效应对光场相位进行调制的光学器件,它通过调节液晶分子的排列,只改变光的相位信息,而不影响光的偏振状态和强度。

特点优势
高光学精度
高衍射效率
高分辨率
高对比度
低功耗驱动
相位稳定性好
应用领域
本系列产品已广泛应用于以下前沿科技领域:
全息成像与显示
激光直写3D打印
结构光3D成像与传感
光通信与光互连
光学镊子与微粒操控
先进光场调控(生成艾里光束、贝塞尔光束等)
自适应光学(波前校正)
激光光束整形
量子信息处理与计算
超分辨率显微成像
产品参数
| 型号 | SLM-PAA-380 | SLM-PAB-380 | SLM-PAC-380 | SLM-PDA-380 | SLM-PDB-380 | SLM-PDC-380 |
| 调制类型 | 相位型 | |||||
| 调制方式 | 模拟 | 数字 | ||||
| 适应波长 | 430nm-750nm | 1064nm附近 | 1530nm-1565nm | 430nm-750nm | 1064nm附近 | 1530nm-1565nm |
| 芯片元件 | LCOS | |||||
| 相位阶数 | 8位256阶 | |||||
| 分辨率 | 1920*1200 | |||||
| 刷新率 | 60Hz | |||||
| 填充率 | >95% | |||||
| 反射率 | ≈85% | |||||
| 像素大小 | 8μm | |||||
| 响应时间 | 30ms ~ 80ms(常温) | |||||
| 相位能力 | 2π~6π | |||||
| 有效区域 | 15.42mm*9.66mm | |||||
| 对比度 | >1000:1 | |||||
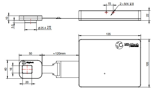
规格尺寸

上一个产品
下一个产品